Quem Somos


Os mais de 40 anos de experiência em grandes produtores de gases, bem como na indústria de válvulas para a mesma aplicação, possibilitaram à GISA desenvolver diversos produtos com a mais alta qualidade e desempenho, aliando à fácil instalação e manutenção para as diversas aplicações como; Gases Inertes, Oxigênio, Gás Liquefeito de Petróleo, Gás Natural, Líquidos não Corrosivos.

Ciente da criticidade destas aplicações, somos responsáveis quanto aos testes e preparo dos nossos produtos. Portanto todos os produtos fabricados pela GISA, são testados e submetidos à limpeza para uso em Oxigênio, conforme norma ASTM CGA G4.1.

Nossos Produtos

Política da Qualidade


Atender as necessidades do mercado no qual atuamos, melhorando continuamente nossos padrões, com o propósito de garantir elevados níveis de QUALIDADE aos nossos produtos e serviços, conquistando a SATISFAÇÃO dos nossos CLIENTES, atendendo seus anseios e expectativas.

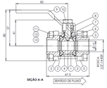
Vávula Esfera Tripartida - Passagem Plena 300LBS

Condições de operação:
  • Estado do Fluido: Aplicável em líquidos e gases
  • Temperatura: -20°C a +60°C
  • Pressão: Máx. 300 psi (MSS SP-80)
  • Corpo e laterais em latão; esfera em inox ou latão blanc 55 ton;
  • Passagem plena; sistema anti-expulsão de haste;
  • Anel deslizante em PTFE entre haste e esfera;
  • Esfera flutuante c/ orifício de alívio;
  • Engaxetamento e vedações em PTFE puro; dupla vedação;
  • Alavanca bicromada; uso com oxigênio (CGA G4.1)

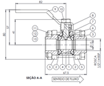
Vávula Esfera Monobloco

Condições de operação:
  • Estado do Fluido: Aplicável em líquidos e gases
  • Temperatura: -20°C a +60°C
  • Pressão: Máx. 300 psi (MSS SP-80)
  • Corpo e laterais em latão; esfera em inox ou latão blanc 55 ton;
  • Passagem plena; sistema anti-expulsão de haste;
  • Anel deslizante em PTFE entre haste e esfera;
  • Esfera flutuante c/ orifício de alívio;
  • Engaxetamento e vedações em PTFE puro; dupla vedação;
  • Alavanca bicromada; uso com oxigênio (CGA G4.1)

Entre em contato conosco


Pronto para iniciar seu próximo projeto conosco? Envie uma mensagem via whatsapp ou email para nós e logo entraremos em contato